Напольная акустическая система (пара) Premiera ES-621
доставка 5 дней
Premiera ECO ES-621 – высококачественные напольные Hi-Fi акустические системы с мощностью RMS 75 Вт и максимальной мощностью PMPO 150 Вт, предназначенные для использования в Hi-Fi-стереосистемах и в многоканальных системах домашнего кинотеатра любых конфигураций в качестве фронтальных АС.
Premiera ECO ES-621 – 2-полосные напольные Hi-Fi акустические системы с мощностью RMS 75 Вт и максимальной мощностью PMPO 150 Вт.
Корпус акустических систем ECO ES-621 имеет фазоинверторную конструкцию и изготовлен из качественного MDF-материала. Три динамика – высокочастотный 1-дюймовый с шелковым куполом и два низкочастотных 6,5-дюймовых с диффузорами из длинноволокнистого материала на целлюлозной основе – обеспечивают воспроизведение в диапазоне частот от 34 Гц до 36 кГц. Динамики защищены тканевой решеткой из черной или белой ткани.
Акустические системы комплектуются съемными резиновыми ножками (в качестве опции возможна установка металлических шипов) и предлагаются в трех цветах отделки – черном, белом или мокко.
Premiera ECO ES-621 – напольные акустические системы со строгой и стильной внешностью, превосходным звуком и, главное, с ценой, которую вряд ли предложат ближайшие конкуренты.
Характеристики:
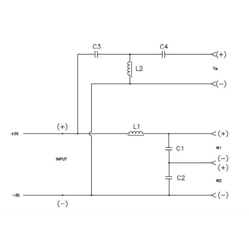
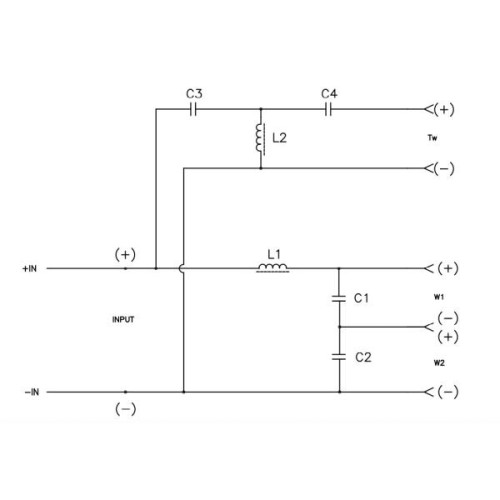
- Конструкция: 2-полосная с 3 динамиками (драйверами) и фазоинвертором
- Тип: Напольная
- Рекомендуемая мощность усилителя: от 10 Вт до 75 Вт
- Сопротивление (импеданс): номинальное 6 Ом
- на частоте 1 кГц - 8 Ом
- Частотный диапазон: 34 Гц - 36 кГц
- Чувствительность: в диапазоне 500 Гц - 1.5 кГц: 92 дБ / 1Вт / 1м
- Кроссовер: пассивный
- 2-полосный
- Мощность: RMS 75 Вт
- максимальная мощность 150 Вт
- Драйвер ВЧ: 1 дюйм с шелковым куполом
- Драйвер НЧ: 2 x 6.5 дюймов с диффузорами из длинноволокнистого материала на целлюлозной основе
- Входы: одна пара акустических клемм
- Защитная решетка: тканевая
- Размеры ( Ш x В x Г ): 220 x 850 x 277 мм
- Размеры с упаковкой ( Ш x В x Г ): 513 х 925 х 331 мм
- 2 АС в одной упаковке
- Вес: 12.1 кг
- Вес с упаковкой: 25.9 кг
- 2 АС в одной упаковке
Xiaomi Redmi A3x 3/64GB4 999 ₽5 799 ₽
Xiaomi Redmi A3 4/128 ГБ RU6 499 ₽6 999 ₽
Xiaomi Poco C61 3/64 Гб5 999 ₽6 613 ₽











































































